Содержание
Документация
Краткое руководство
Роутер серии R0 IRZ RL01w
Внешний вид и разъемы
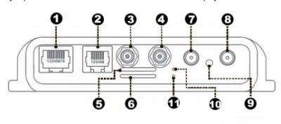
Изображение 1. Вид спереди (RL01w, RU01w)
На рисунке цифрами обозначено: 1. разъем Ethernet;
2. разъем питания;
3. разъем RP-SMA Wi-Fi 2;
4. разъем RP-SMA Wi-Fi 1;
5. слот SIM-карты №1;
6. слот SIM-карты №2;
7. разъем SMA для GSM-антенны AUX ( дополнительная, только прием сигнала);
8. разъём SMA для GSM-антенны Main( основная, прием и передача сигнала);
9. кнопка сброса настроек;
10. индикаторы активности SIM-карты №1;
11. индикаторы активности SIM-карты №2.
Антенны
Антенна Main - основная, работает на прием и передачу сигнала.
Антенна AUX - дополнительная, работает только на прием сигнала.
Дополнительную антенну рекомендуется использовать в случаях, когда оборудование установлено в местах с множественным переотражением сигнала (плотная городская застройка) и в случаях, когда принимаемый сигнал сильно зашумлен.
В качестве дополнительной следует использовать антенну, идентичную основной. Если в Main и AUX будут установлены разные антенны, прием сигнала может ухудшиться.
Если роутер установлен в глубине здания или цеха, на цокольном этаже или в полуподвальном помещении, то лучше воспользоваться внешней выносной антенной, установленной в Main. При этом во избежание потерь сигнала длина кабеля антенны не должна превышать 10 метров.
Разъем питания типа 6P6C на роутере
Разъем питания типа 6P6C, через который осуществляется питание роутера от источника постоянного тока. Диапазон напряжений питания от 8 до 30 В.
Изображение 2. Разъем питания на роутере
Таблица 1. Назначение выводов разъёма питания на роутере
| Контакт | Сигнал | Назначение |
|---|---|---|
| 1 | + U пит. | Положительный полюспостоянного напряженияпитания. Защищенпредохранителем и схемойзащиты от перенапряжений(при подаче на входнапряжения более 30В) инеправильной полярности |
| 2 | не используется | |
| 3 | не используется | |
| 4 | не используется | |
| 5 | не используется | |
| 6 | GND | Корпус системы(отрицательный полюс « – ») |
Изображение 3. Вид сверху
На рисунке цифрами обозначено:
1. индикатор питания и загрузки;
2. индикатор Ethernet;
3. индикатор работы Wi-Fi;
4. индикатор сети сотовой связи (2G-3G-4G);
5. индикатор уровня сигнала (CSQ).






